新闻摘要
2026年度中国IC设计成就奖评选结果揭晓。圣邦微电子凭借卓越的技术实力、稳健的市场表现以及在高性能模拟领域的持续深耕,再度获评“十大中国IC设计公司”奖项。
圣邦微电子战略产品经理陈俊超上
圣
圣邦微电子
全部文章
-
-
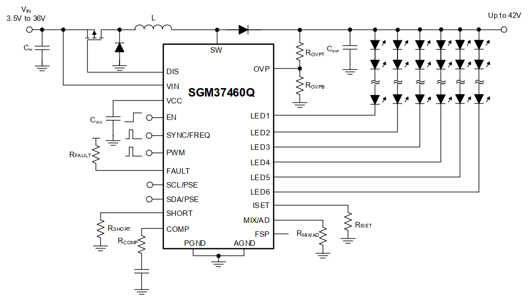
圣邦微电子推出SGM37460Q,一款专为车载智能座舱中的中控屏、仪表盘及抬头显示(HUD)等应用推出的六通道、集成前级升压(Boost)转换器的车规级背光LED驱动芯片。 SGM37460Q的输入电 -
圣邦微电子推出SGM795,一款可编程USB Type-C端口控制器。该器件可应用于手机和平板电脑。 SGM795是一款符合最新USB Type-C和PD 3.2标准的USB Type-C端口控制器( -
圣邦微电子推出车规级线性稳压器SGM70420xQ/SGM70430xQ系列,带看门狗和电压监控复位功能。该系列器件既可应用于独立承担小型ECU的供电与系统监控,又可为车载低功耗电源管理系统供电,充当 -
2026年Sensor Shenzhen展会已圆满落下帷幕。衷心感谢每一位莅临圣邦微电子展位的新老朋友,是您的关注与支持,让这次展会格外精彩! 作为圣邦微电子在传感器领域的重要布局,微传科技携全系列磁