ZYNQ SoC 的 PS (Processing System) 和 PL (Programmable Logic) 之间的数据交互是系统设计的核心,以下是主要的交互方式及其特点:
一、AXI 总线接口
1. AXI4 高性能接口
AXI4 (AXI4-Full) 用于高性能内存映射通信 支持突发传输,数据位宽通常为32/64/128/256/512位 典型应用:大数据量传输,如视频流、DMA传输 配置:通过HP (High Performance) 或 ACP (Accelerator Coherency Port) 端口

参考学习:ZYNQ AXI4 FDMA内存读写
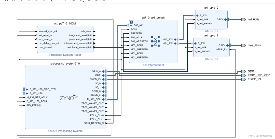
AXI4-Lite 简化版AXI,用于寄存器级访问 不支持突发传输,每次传输1个数据 典型应用:控制寄存器访问、状态监控 配置:通常通过GP (General Purpose) 端口 如 axi_gpio


参考学习:ZYNQ AXI GPIO
ZYNQ 自定义AXI接口 IP(PWM)
AXI4-Stream 无地址的流式数据接口 高性能连续数据传输 典型应用:视频流、ADC/DAC数据流

参考学习:ZYNQ VDMA IP学习
2. 专用AXI端口
HP端口 (High Performance) 4个HP端口(PS→PL) 支持64位数据宽度,最高可达1500MB/s(每个端口) 带FIFO缓冲,适合大数据量传输 ACP端口 (Accelerator Coherency Port) 1个ACP端口(双向) 保持与CPU缓存一致性 适合需要与CPU紧密协作的加速器


参考学习:ZYNQ–PL读写PS端DDR数据
GP端口 (General Purpose)
4个主端口(PS→PL) + 2个从端口(PL→PS) 32位数据宽度,性能较低 适合控制信号和少量数据传输
二、非AXI接口方式
1. EMIO (Extended Multiplexed I/O)

通过PS的I/O外设扩展至PL 支持GPIO、SPI、I2C、UART等外设接口 特点:配置灵活,但带宽有限
参考学习:ZYNQ学习(01) EMIO MIO
ZYNQ PS端UART数据收发
ZYNQ I2C 通信例程–EEPROM
2. 中断机制 PL→PS中断

通过IRQ_F2P[15:0]引脚 支持电平触发和边沿触发 可用于事件通知、异常处理
参考学习:ZYNQ PL 中断请求
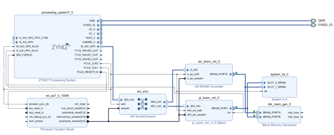
3. BRAM (Block RAM) 共享 通过PS和PL共享的片上存储器 高速低延迟访问 需要手动管理同步机制


参考学习: ZYNQ BRAM实现PS与PL数据交互

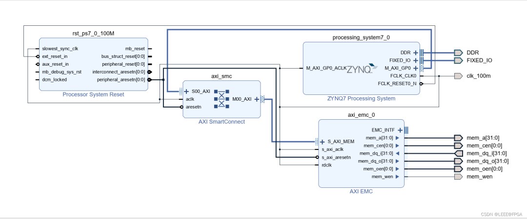
参考学习:ZYNQ EMIF进行PS与PL间的数据交互
4. DMA传输 AXI DMA IP 支持内存与PL间高效数据传输 可配置为Scatter-Gather模式 减轻CPU负担,提高吞吐量

参考学习:ZYNQ DMA环通测试
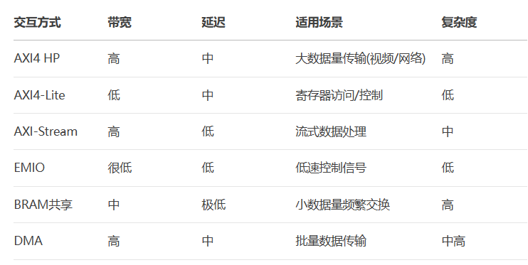
三、选择指南

评论区
登录后即可参与讨论
立即登录