当前国内干衣机市场正从“可选品”向“必需品”转变,其核心趋势是技术高端化、功能健康化和产品场景化。以节能护衣的热泵技术为主导,产品不再局限于烘干,更集成了除菌除螨、智能感知、衣物护理等健康与智能功能。双变频、全变频已经逐渐替代定频式干衣机成为主流。
行业正通过“模块化”设计,将不同的变频组合构建为标准模块,以此快速打造覆盖各价位需求的产品系列——这不仅为消费者提供了清晰多样的选择阶梯,更帮助厂商实现了研发成本的集约化、生产的优化与市场的精准化,从而强力驱动了变频技术的普及与行业标准化。
晶丰明源与凌鸥创芯联合推出的LKS32MC07x系列高性能MCU,凭借Cortex-M0+DSP双核及高集成度电机控制外设,大幅降低BOM成本与PCB复杂度,代替传统双芯片方案,为家用及商用干衣机提供具备成本竞争力的解决方案。
高性能LKS32MC07x技术亮点
LKS32MC07x系列MCU采用96MHz Arm Cortex-M0内核,集成自主指令集电机控制专用DSP,配备12KB RAM与最高128K Flash存储空间,内置2路12bit高速ADC与4路内置运算放大器。丰富的外设接口涵盖UART/SPI/I²C/CAN等多种通信协议,为系统功能扩展留足空间。±1%高精度RC时钟增强了控制时序一致性,卓越的抗静电ESD与群脉冲EFT能力则赋予产品更高的可靠性。

图1. TQFP48封装
干衣机二合一方案应用表现卓越
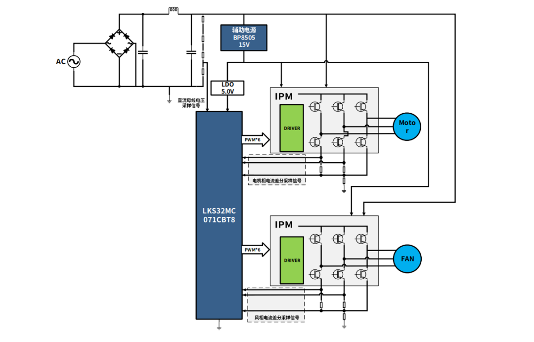
干衣机二合一(风机+桶电机)驱动方案,核心采用96MHz主频32位ARM Cortex-M0内核+电机控制专用DSP“双核”高性能电机控制MCU——LKS32MC071CBT8。LKS32MC071CBT8集成了针对电机控制堪称“量身定制”的外设组合:可同步触发的高分辨率PWM模块以及交错采样的高速12-bit ADC,在与电机控制专用DSP核的配合下,从硬件层面保障了双电机控制的原生协同性,满足了双电机控制的需求。通过精准的算力分配、硬件原生的同步机制及高度的系统集成,实现了专业级的控制性能与出色的成本效益。

图2. 干衣机二合一方案应用框图
方案亮点
-
实时响应:算法设计与硬件特性深度结合,使用内置DSP模块以及优异的算法架构,在Cortex-M0核的基础上满足双电机矢量控制的苛刻时序要求,确保系统的实时性能
-
硬件协同:可生成两组完全同步且带死区补偿的PWM信号,从硬件保证两个电机的驱动相位精准正交
-
成本优化:以单芯片替代双芯片方案,大幅降低BOM成本与PCB复杂度
-
功能丰富:该方案具备顺逆风启动功能,同时兼容功率环控制与自动弱磁,完善的OTA方案,采用分层软件架构,接口丰富,拓展灵活,搭配凌鸥软件上位机LKSSCOPE,有效提高工程师开发效率,节约调试成本

图3. 干衣机二合一方案DEMO板
多重保护确保稳定运行
该方案提供了全面的故障保护功能,包括硬件过流保护、停机电压控制、缺相保护及堵转保护等功能,确保产品在各类复杂条件下稳定运行。实际测试表明:桶电机在低桶速、大偏心条件下鲁棒性优秀,在大负载高速弱磁状态下运行平稳;风机在逆风状态下启动平滑可靠。
图4. 低桶速大偏心运行强鲁棒性

图5. 使用LKS实时检测高速弱磁运行状态

图6. 低速逆风启动波形
总结
在双电机控制这一赛道,Cortex-M0并非“简化版”的替代品,而是“专精化”的终极答案。它代表了一种回归本质的工程智慧:不以冗余性能堆砌功能,而是通过架构创新与精准匹配,在控制、成本与可靠性之间找到黄金平衡点。对于致力于打造高性能、高性价比双驱产品的团队而言,采用基于Cortex-M0的高度集成化方案,意味着以更少的资源,获得更稳定、更协同、更可控的系统表现。这不仅是技术选型的胜利,更是产品在市场竞争中赢得先机的关键一步。
评论区
登录后即可参与讨论
立即登录