欢迎来到肖特基势垒二极管系列课堂的最后一课!经过前三期的学习,我们从pn结来到了更快的肖特基结。今天,让我们聚焦基于该结的实用器件——肖特基势垒二极管,看看它如何在实际电路中发挥作用?又该如何正确选用?这份实战指南将给你驾驭“速度之星”的答案!

二极管的分类
东芝将二极管大致分为pn结二极管和金属半导体结二极管。它们从同一个物理原理出发,通过材料与结构的精巧设计,共同构成了现代电子电路中不可或缺的基础元件阵列。
在pn结二极管中,最基础的pn结整流开关二极管,以及掺杂了重金属的整流二极管快速恢复二极管(FRD),后者反向恢复时间更短;而更多的则是各类特殊功能的二极管,例如利用反向击穿稳压的齐纳二极管、射频开关二极管(PIN二极管)、ESD保护二极管(TVS二极管)、可变电容二极管等。
金属半导体结二极管则包括肖特基势垒二极管(SBD)、碳化硅肖特基势垒二极管(SiC-SBD)和RF肖特基势垒二极管。

肖特基势垒二极管与pn结二极管的对比
肖特基势垒二极管与普通整流二极管、快速恢复二极管等pn结二极管有着显著的区别。
在正向压降上,肖特基势垒二极管更低;在反向恢复时间上,肖特基势垒二极管极短;但在反向耐压和反向漏电流方面,pn结二极管通常表现更好。
开关二极管虽然速度也快,但电流处理能力较小。没有绝对的优劣,只有是否适合应用场景的区分。
下表比较了SBD与整流二极管、开关二极管和FRD。反向恢复时间是二极管关断的一个限制因素。SBD具有正向电压低和反向恢复时间短等优点,其缺点包括最大额定反向电压(VR)低和VR下更大的泄漏电流。

图1. 硅SBD与pn结二极管对比表

肖特基势垒二极管的核心特性与选型
肖特基势垒二极管拥有两大突出优势:低正向压降和超快反向恢复。这使得它在高频、高效场合大放异彩。
选型时需要重点关注:正向电压(在预期工作电流下的值)、反向耐压(通常低于200V,需留有余量)、反向漏电流(尤其在高温下会增大)以及热阻。
选型黄金法则是:优先满足电路的最高电压和最大电流需求,然后在安全余量内,根据频率和效率要求,权衡正向压降和速度。

经典应用电路实例
肖特基势垒二极管适用于需要低正向电压(VF)和短反向恢复时间(trr)的应用场合。它在以下场景中表现卓越:
开关电源次级整流,特别是低压大电流输出,能显著提升效率。

图2. 电压换流器
极性反接保护,其低导通压降使保护电路的损耗最小化。

图3. 反向连接保护
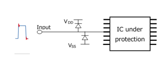
数字电路钳位保护,可快速钳制电压尖峰,保护敏感IC。

图4. IC保护电路
这些应用都充分利用了其低损耗和快速度的特点。
至此,我们完成了肖特基势垒二极管的完整探索。我们了解了其基于金属-半导体肖特基结的物理基础,掌握了其低VF、快trr的核心优势及相应的权衡,并学习了如何在实际电路中应用它。
肖特基势垒二极管以其高效与高速,在现代电子设计中不可或缺。其速度与耐压间的平衡,恰恰是工程设计的缩影。愿你既能理解物理内核,也能在系统层面找到最优解。
评论区
登录后即可参与讨论
立即登录