随着全球电源需求正出现前所未有的激增,设计人员不断面临挑战,需要在个人设备、AI基础设施、太阳能、电池系统、电机及车辆等多种领域中实现更小的系统尺寸,并以更高的效率提供更高的功率水平。 氮化镓(GaN)以其优越的半导体特性,正在推动一场变革,引领着电力电子领域的真正复兴。这一变革得益于前所未有的快速、小巧电力开关的问世。
高电压GaN双向开关(BDS)通过在单个器件内实现双向电流导通和阻断,从而助力打造更加高效、紧凑且更具成本效益的功率转换器。 此类开关支持创新的单级功率变换器拓扑结构,从而在AI数据中心基础设施、太阳能微型逆变器、电池系统以及汽车车载充电器等应用中减少了元器件数量并提高了效率。
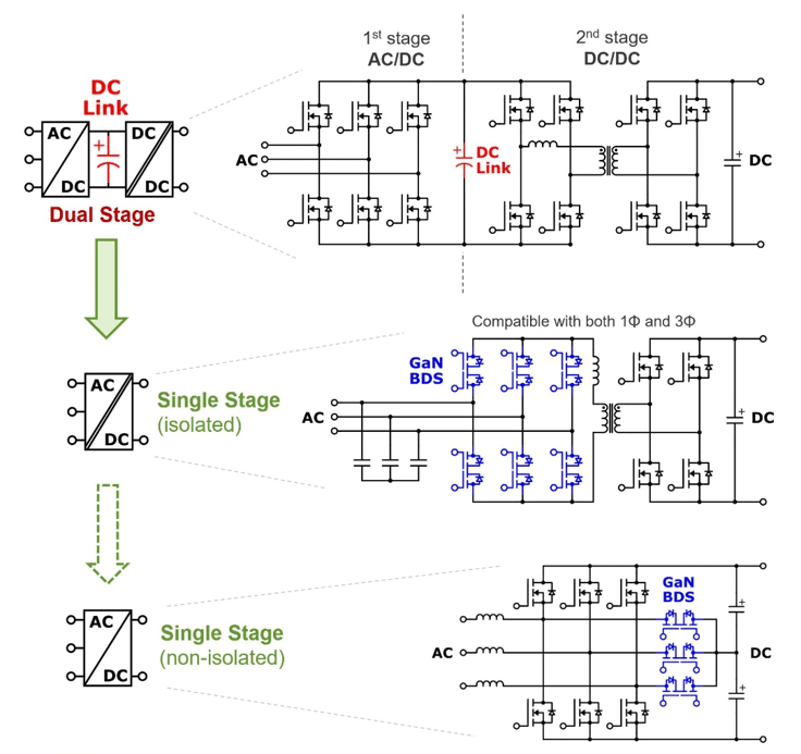
单级功率转换
利用瑞萨GaN BDS,设计人员可以摒弃带电解直流母线电容的传统两级式交流/直流转换器,实现元器件更少、重量更轻、效率更高的单级拓扑结构。 此类拓扑支持双向能量流动,对于交流/直流转换和直流/交流逆变器均十分有用。这些设备还实现了非隔离多电平T型中点钳位(T-NPC)拓扑(如Vienna整流器)。这类拓扑具有更低的传导损耗,并且适用于三相AI基础设施和电机驱动器,同时提供双向流动特性并能降低EMI。

Figure 1. Renesas GaN BDSs enable innovative topologies such as single-stage AC/DC converters, resulting in lower part count for smaller, lighter, more efficient power systems
瑞萨电子的TP65B110HRU 650V、110mΩ高电压GaN双向开关可在单个器件中同时阻断正向和反向电流,与传统单向硅基或碳化硅开关相比,能够以更少的元器件实现更高效率的单级功率转换。该器件减少了开关数量并省去了太阳能微型逆变器中的中间直流母线电容,根据美国加州能源委员会(CEC)标准,其功率转换效率可达97.5%以上。
这些创新的D模式氮化镓BDS产品具有650V连续电压额定值、低导通电阻、顶部散热的表面贴装封装(集成硅基MOSFET),并与标准栅极驱动器兼容。对于设计人员来说,只要使用标准驱动器和简单的栅极电阻,驱动D模式氮化镓器件就和驱动硅基MOSFET一样简单。这与E模式氮化镓形成鲜明对比——后者需要额外元器件,不仅占用更多电路板空间,还会增加物料清单(BOM)成本和驱动损耗。

Figure 2. GaN BDS implementation in a solar microinverter application and TP65B110HRU efficiency curves at different panel voltages, reaching 97.5% CEC efficiency
该GaN BDS具有快速开关特性,以及清晰的波形和出色的效率(在太阳能微型逆变器中最高可达97.5%)。产品通过了JEDEC和其他针对氮化镓的可靠性标准测试(包括交流和直流偏置测试),确保满足工业和汽车应用的稳健性要求。您可以在评估板用户手册和氮化镓BDS技术白皮书中阅读有关性能测试和资格认证的更多信息。
亲自使用GaN BDS评估板来评估这些新型开关,测试不同的驱动选项,进行交流过零检测,并实施ZVS软开关。我们还将GaN BDS与其他兼容组件相结合,开发了系统级解决方案,以实现优化且低风险的设计,从而加快各类电力电子应用中的产品上市速度,其中包括500W太阳能微型逆变器、3.6kW功率因数校正(PFC)Vienna整流器以及多种单级家用电器。
深入了解TP65B110HRU GaN双向开关及其在高能效电源系统中的应用,并阅读我们的白皮书以进一步了解该技术的架构设计及部署优势。
评论区
登录后即可参与讨论
立即登录