简介
电源等闭环系统采用具有控制逻辑的反馈环路。控制算法可以使用模拟或数字电路来实现。模拟控制环路使用固定的电路硬件,因此能够优化特定负载的控制反馈。相比之下,数字控制环路可以针对各种负载进行优化。此外,由于数字控制环路不容易受到无源元件容差的影响,因此数字控制环路可提供更高的精度。
本文讨论了一种低延迟控制电路,该电路使用模数转换器 (ADC) 和数模转换器 (DAC) 来实现数字控制环路。文中分别讨论了针对电流和电压测量进行优化的反馈电路。
数字控制环路
数字控制环路通过模数转换器 (ADC) 进行感应,利用处理器或 FPGA 进行控制,并通过数模转换器 (DAC) 来调节实验室仪器(例如电源、源测量单元和电子负载)的输出。仪器中数字控制环路的主要目标是,在负载条件或输入电压发生变化时保持稳定的输出电压或电流。可以根据负载调整控制算法,尽可能缩短仪器输出的稳定时间。
仪器中的典型数字控制环路包括以下元件,如图 1 中所示:
1. 测量单元:该元件测量仪器的输出电压和/或电流,并将测量值转换为可由控制器处理的数字信号。
2. 控制器:控制器接收仪器输出的数字测量结果,并计算误差信号,即测得的输出与参考信号之间的差异。然后,由控制算法对误差信号进行处理,以便确定需要应用于仪器的控制输入。
3. 控制算法:该元件处理错误信号,以便确定应用于仪器的控制输入。该控制算法可以基于简单的比例积分微分(PID) 控制器,或更复杂的控制算法(如线性或非线性控制器)。
4. 数模转换器 (DAC):DAC 负责将数字控制信号转换为可应用于仪器的模拟信号。

图 1. 数字控制环路方框图
数字控制环路的稳定时间或响应时间取决于控制算法调整 DAC 输入来补偿输出电压变化的速度。
调整 DAC 输出电压的总延迟包括以下几部分:
1. 测量单元测量输出信号所需的时间
2. 控制算法为 DAC 生成新设置所需的时间
3. DAC 输出稳定至所需精度所需的时间
为了尽可能减少输入信号与控制环路响应之间的延迟,测量路径中需要一个用于测量电流和电压的低延迟信号链。
测量单元信号链的主要规格如下:
1. 直流精度:由于测量信号用于调节 DAC 输出信号,因此精确的测量单元可提高系统精度。
2. 宽模拟带宽:这使系统能够快速响应输入信号中的瞬变和负载变化。
电流反馈信号链
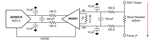
如图 2 所示,电流反馈路径由一个精密分流电阻器、一个电流检测或仪表放大器以及一个低延迟精密模数转换器组成。

图 2. 电流反馈电路
示例电路使用了 INA851 和 ADS9219。INA851 是一款具有全差分输出的低噪声、高速仪表放大器。图 3 和图 4分别显示了该电路在过采样率 (OSR) 为 1 和 16 时的直流直方图和阶跃稳定图。

图 3. 电流反馈电路直流直方图

图 4. OSR = 1 和 OSR = 16 时的电流反馈电路阶跃稳定

表 1. 电流反馈电路直流直方图结果
电压反馈信号链
如图 5 所示,电压反馈路径由一个可编程增益放大器 (PGA) 和一个低延迟精密 ADC 组成。

图 5. 电压反馈电路
示例电路使用了 PGA855 和 ADS9219。PGA855 是一款具有全差分输出的低噪声、高带宽、精可编程增益仪表放大器。此电路的直流直方图和阶跃稳定图分别如图 6 和图 7 所示。

图 6. 电压反馈电路直流直方图

图 7. 电压反馈电路阶跃稳定

表 2. 电压反馈电路直流直方图结果
精密高速模数转换器
在图 2 和图 5 所示的两个电路中,ADS9219 用于准确快速地测量系统输出信号。通过将测得的模拟信号高速转换为数字值,ADC 有助于尽可能减少输入信号与控制器响应之间的延迟。低延迟 ADC 让系统能够快速准确地响应输入信号的变化,从而有助于提高控制环路的性能。
ADS9219 是一款基于逐次逼近寄存器 (SAR) 架构的 18 位 20MSPS ADC,可将模拟信号转换为以 50ns 为单位的数字值。控制器必须从 ADC 读取数值,此通信会增加 50ns 的时间。因此,控制器可以在 100ns 的总时间内从基于 ADS9219 的测量单元获取一个数字值。
ADC 的精度会影响仪器输出的精度。测量精度取决于测量单元中误差的热漂移和工作温度范围。测量中的偏移和增益误差可在仪器加电后使用校准电路进行校准,以便提高精度。ADS9219 的 18 位分辨率可实现高精度测量,如表 3 中所示。

表 3. ADS9219 的测量精度
结语
数字控制环路针对各种不同的负载进行了优化,与模拟控制环路相比,可实现更高精度的系统。为了启用数字控制环路,测量路径中需要高精度、高带宽信号链。INA851 和 PGA855 是全差分仪表放大器,可与 ADS9219 配合使用来在数字控制环路中实现高带宽、高精度信号链。
评论区
登录后即可参与讨论
立即登录