本文将了解如何用鉴相/鉴频器(PFD)替代普通鉴相器,以扩展锁相环(PLL)的捕获范围。
在学习锁相环(PLL)基础原理时,我们通常从鉴相器如何引导环路实现锁定开始讲起。但在实际应用中,许多 PLL 电路都会选择鉴相 / 鉴频器(PFD),而非单纯的鉴相器。PFD 是一种常用的时序逻辑电路,能够同时检测两路输入信号的相位差与频率差。正如本文将要介绍的,它比仅检测相位差的电路拥有更宽的捕获范围。
普通鉴相器的捕获范围受限

图 1 采用普通鉴相器的基本 PLL 架构
检测输入(参考)信号与 VCO 输出之间的相位差,是 PLL 工作的核心环节。但需要重点注意:普通鉴相器会限制环路的捕获范围。也就是说,若使用单纯鉴相器,当 VCO 输出频率与输入频率相差较大时,环路可能无法锁定。
为理解这一局限,以吉尔伯特单元鉴相器为例。该鉴相器会在输出端产生差频信号。当 较大时,该信号会被后级低通滤波器大幅衰减。
与 相差越远,滤波器的衰减作用就越明显,导致环路难以检测到频差。本质上,当 与 偏离过大时,低通滤波器输出的信号过弱,无法驱动 VCO 向正确方向调整。
改用锁频环(FLL)如何?
由于在输入频率相差较大时,普通鉴相器几乎无法提供有效信息,因此不能保证环路一定能锁定。想要扩大捕获范围,就需要一种能够检测输入频差的电路,如图 2 所示。

图 2 锁频环(FLL)结构
可以看到,该环路使用频检测器而非鉴相器。它与低通滤波器共同生成反映 与 差值的直流信号。这样一来,即便 与 相差很远,VCO 也会被驱动,逐步缩小频差。
但频检测器存在一个关键缺陷:无法保证最终 与 完全相等。这可能由环路增益有限,或频检测电路内部失调引起。其特性类似于单位增益反馈运放:受限于有限开环增益与运放固有失调,输入电压差无法被彻底归零。
实现频率完全相等,仍需鉴相器
图 1 采用鉴相器的结构,更接近让输入与输出频率完全一致。但这并不意味着频差能严格归零。环路稳定后,输入与输出相位之间可能存在一个微小的恒定相位差 :
等式 1
尽管存在恒定相位差,图 1 电路仍能保证输入频率 与输出频率 相等。这一点可从 “瞬时频率为相位对时间的导数” 理解:由于 是常数,对等式 1 求导后该项消失。
因此,即便输入与输出信号存在恒定相位差,电路仍可实现频率相等。换句话说:相位锁定时,频率必然相等。
总结来看:频检测器虽能扩展捕获范围,却无法让输入输出频率严格相等;要实现这一点,必须依靠鉴相器。
因此,环路需要一种特殊电路:频率相差时作为频检测器,频率相同时作为鉴相器。这种电路就是本文接下来要介绍的鉴相 / 鉴频器(PFD)。
鉴相 / 鉴频器(PFD)基础
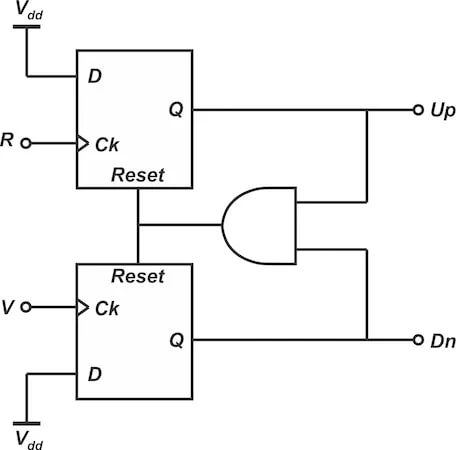
图 3 为一种经典 PFD 实现电路。它由两个 D 触发器与一个反馈结构的与门组成,用于产生复位信号。

图 3 鉴相 / 鉴频器(PFD)电路
两个触发器的数据端(D 端)始终接高电平。标记为 R 的是参考输入,V 为 VCO 输出信号,分别接入两个触发器的时钟端。一个触发器输出记为 Up,另一个输出记为 Dn(Down)。
当 R 或 V 出现上升沿时,对应触发器输出置高。若 Up 与 Dn 同时为高,与门将触发复位,使两个输出同时变低。
输入频率相同时的典型波形
图 4 为两路输入频率相同、且 R 相位超前 V 时的 PFD 典型波形。

图 4 同频且 R 超前 V 时的 PFD 波形
由于 R 上升沿先到来,上方触发器先输出高电平,并一直保持到 V 上升沿触发 Dn 输出,随后复位生效。可以看到,Dn 输出脉冲非常窄,因为它一旦变高就会立即触发复位通路。

图 5 V 超前 R 时的典型波形
Up 有效,代表 VCO 频率滞后于输入信号,需要提升频率,如图 4 所示。
Dn 有效则相反,指示环路应降低 VCO 频率,如图 5 所示。
通过 Up 或 Dn 有效,PFD 可以给出相位误差的方向信息。
有效输出的脉冲宽度,则反映了相位误差的大小。
当 R 与 V 完全同相时,两个触发器会同时置高并同时复位,产生如图 6 所示的窄脉冲。

图 6 R 与 V 完全同相时的典型波形
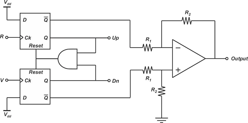
PFD 的最终输出由 Up − Dn 得到。图 7 展示了一种用运放减法器实现最终输出的典型结构。

图 7 集成运放减法电路的 PFD
由于最终输出是 Up 与 Dn 的差值,理想情况下,同相时产生的窄脉冲对电路性能应无影响。但在实际电路中,这些窄脉冲仍会导致 VCO 控制电压上的纹波增大。
输入频率不同时的典型波形
接下来看参考频率高于 VCO 频率(>)的情况,典型波形如图 8 所示。

图 8 时的 PFD 波形
可以观察到:频率更高的输入上升沿会不断触发 Up 输出,并持续到低频输入的上升沿到来才复位。Up 的占空比直接反映了两路输入的频差大小。
若,则 Dn 会持续有效,指示应降低 VCO 频率以实现锁定。这说明该电路既能检测相位差,也能检测频率差。
PFD 的输入输出特性
PFD 的平均输出(即 Up 与 Dn 的差值)是输入相位差的函数,特性曲线如图 9 所示。

图 9 PFD 的输入输出特性
其线性工作范围达到 4π 弧度(±2π),恒定增益为:
该增益与 RS 触发器型鉴相器相同。从图 9 可以明显看出,为获得最大锁定范围,锁定点必须设在 0° 位置。
总结
PFD 的线性范围为 ±2π 弧度。在环路启动的瞬态阶段,它作为频检测器工作,将 VCO 频率拉向输入频率;当两路频率足够接近后,它又切换为鉴相器,实现环路相位锁定。这一特性解决了普通鉴相器捕获范围有限的问题,确保 PLL 能够可靠锁定。
评论区
登录后即可参与讨论
立即登录