近年来,车载48V电源系统在汽车领域的应用正在快速推进。与传统12V系统相比,车载48V电源系统具有电力损耗低、能效提升、配线简化等诸多优势,有助于降低环境负荷。作为支持下一代汽车电动化和高性能化的重要技术,车载48V电源系统的普及正在不断普及。
然而,车载48V电源系统的高电压容易导致噪声水平升高,因此噪声控制和EMC对策变得比以往更加重要。如果EMC措施不足,可能导致车载电子设备误动作或可靠性下降,因此有效的噪声控制和EMC对策至关重要。
本解决方案指南将介绍车载48V电源系统在噪声控制与EMC对策方面的最新案例,包括在车载48V电源线的DC/DC转换器中应用我司噪声对策元件的EMI抑制实践。如果您在车载48V电源系统的噪声控制或EMC对策方面遇到噪声问题,欢迎参考本指南。
车载48V电源的导入背景与发展

用于ADAS/AD的SoC的TDP(TDK假设)
TDP: 散热设计功耗(设计中的最大发热量)
随着高级驾驶辅助系统(ADAS)和自动驾驶(AD)的普及,汽车领域的SoC(系统级芯片)的性能不断提升,AI功能的搭载也在快速推进。
因此,车载电子设备的功耗持续增加。传统的12V电源系统面临着电流增加导致线束重量上升、整车重量增加以及电力损耗增加的问题,这些都会影响车辆的续航里程和能效。
基于上述背景,车载48V电源系统的应用正在不断推进。采用48V电源后,在相同功率输出下,电流仅为原来的1/4,有助于实现线束轻量化、降低电力损耗和整车减重。因此,车载48V电源系统被视为实现下一代汽车电动化、高效化和长续航的关键技术,备受关注。
车载48V电源导入面临的挑战
噪声(EMC)风险增加
电压升高会导致开关噪声和传导噪声水平提升,需要比以往更严格的噪声与EMC对策。
元件选择与设计的复杂化
48V元件需具备更高的额定电压。同时,为抑制共模和差模噪声,必须采用多级滤波和高性能元件组合。
系统整体安全性与可靠性的保障
48V对人体的风险更高,因此必须进行短路、过电流、过电压等安全设计。需要兼顾EMC和安全对策,确保整车可靠性。
成本与空间的影响
采用高耐压元件和多级滤波器可能增加元件成本和PCB空间需求。但线束轻量化和配线成本降低等优势同样显著,因此需平衡整体设计。
车载48V电源系统中噪声控制对策的重要性
通过对比同一块电路板和元件配置下,采用兼容12V和48V的DC/DC转换器进行传导噪声(电压法)测试发现,车载48V电源系统的噪声水平明显高于12V系统(见图1)。这是由于48V系统的高输入电压在开关过程中能量增加,导致噪声成分被放大。尤其是在低频到高频的宽频带范围内,噪声水平差异显著,使得包括48V电源在内的车载系统EMC(电磁兼容性)对策成为重要课题。因此,车载48V电源系统必须引入滤波器等噪声对策和最优的噪声控制解决方案。

图1:12V与48V系统噪声水平对比
车载48V电源系统用噪声控制滤波元件的选择
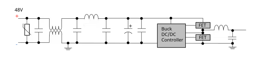
图2展示了车载48V电源系统中噪声控制滤波器的安装示例。由于48V系统的噪声较12V系统更高,针对共模和差模噪声的多级滤波器更为有效。 表1汇总了各类滤波器及解决方案,表明最优滤波器选择有助于提升车载48V电源系统的可靠性和EMC性能。

图2:48V输入线路路块图示例

表1:48V输入线路 各类滤波器与部件解决方案
车载48V电源线噪声控制效果的实测案例
使用市售DC/DC转换器,验证了有无滤波器时的噪声抑制效果。设定输入电压和负载条件,对比了安装和未安装滤波器时的传导噪声(电压法),以评估其效果。

图3:传导噪声电压法测试环境
■DC/DC转换器条件
・输入电压:48V
・输出电压:12V
・开关频率:400kHz
・输出电流:7.2A
■测试环境
・测试地点:3米电波暗室
・频率范围:150kHz-108MHz
■测试项目
・传导噪声电压法
■测量结果
■无滤波器

■有滤波器

通过构建兼容共模和差模噪声的多级滤波器,实测证实可大幅抑制车载48V电源系统的噪声。此外,在各滤波器和输入电容中采用大容量MLCC,不仅提升了噪声对策效果,还实现了元件数量和安装空间的减少。这使得噪声控制更加高效可靠,对车载48V电源系统的EMC性能提升做出了重要贡献。
车载48V相关产品阵容
TDK可为48V线路提供多种产品。各类元件均有额定电压规定,请务必预留足够的安全裕度后使用。

Featured Products

■MLCC额定电压100V车载级产品

■电源线用共模扼流圈/滤波器车规级产品

■电源线用电感器车规级产品 - 适用于48V电源系统的推荐产品

■ESD/电压保护器件车规级产品

总结:车载48V电源的噪声控制与TDK的全方位支持
随着车载48V电源系统的发展,噪声控制问题变得更加重要。实测案例表明,采用共模扼流圈、电感器和大容量MLCC组合的多级滤波器,可在宽频带范围内大幅降低噪声。此外,大容量MLCC的应用还实现了元件数量和安装空间的减少。
TDK不仅提供丰富的车载48V电源系统用噪声对策元件,还提供EMC测试服务和电路设计建议等多样化技术支持。如果您在车载48V电源系统的噪声对策方面遇到问题,TDK可从元件选型到评估验证,为您提供全方位支持。欢迎随时联系我们,共同提升车载48V电源系统的可靠性和EMC性能。
原文标题:48V电源普及下的EMC新挑战:噪声抑制与EMC解决方案
文章出处:【微信号:TDK中国,微信公众号:TDK中国】欢迎添加关注!文章转载请注明出处。
评论区
登录后即可参与讨论
立即登录