3 DE10-Nano的HDMI电路
DE10-Nano 的 HDMI 局部特细图:

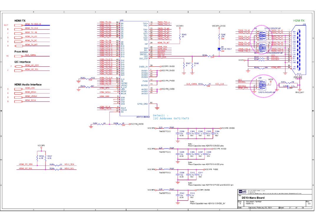
开发板通过Analog Devices的ADV7513为用户提供高性能HDMI发射器,其支持HDMI v1.4功能(包括支持3D视频,支持分辨率最高达1080p和UXGA,像素时钟高达165MHz等)。ADV7513通过串行I2C总线接口进行控制,该接口连接到Cyclone V SoC FPGA上的引脚。电路原理图如下所示。

有关ADV7513 HDMI TX的详细信息,请访问制造商网站或在DE10-Nano 资料压缩包(System CD)的DatasheetHDMI文件夹中查看。
ADV7513 与FPGA之间的引脚连接如下:

下表列出了HDMI接口引脚分配和信号名称:

原文标题:2-DE10-Nano的HDMI方块移动案例——HDMI接口介绍(含TMDS)
文章出处:【微信号:友晶FPGA,微信公众号:友晶FPGA】欢迎添加关注!文章转载请注明出处。
评论区
登录后即可参与讨论
立即登录