当前国内干衣机市场正从“可选品”向“必需品”转变,其核心趋势是技术高端化、功能健康化和产品场景化。以节能护衣的热泵技术为主导,产品不再局限于烘干,更集成了除菌除螨、智能感知、衣物护理等健康与智能功能。双变频、全变频已经逐渐替代定频式干衣机成为主流。
行业正通过“模块化”设计,将不同的变频组合构建为标准模块,以此快速打造覆盖各价位需求的产品系列——这不仅为消费者提供了清晰多样的选择阶梯,更帮助厂商实现了研发成本的集约化、生产的优化与市场的精准化,从而强力驱动了变频技术的普及与行业标准化。
晶丰明源与凌鸥创芯联合推出的LKS32MC07x系列高性能MCU,凭借Cortex-M0+DSP双核及高集成度电机控制外设,大幅降低BOM成本与PCB复杂度,代替传统双芯片方案,为家用及商用干衣机提供具备成本竞争力的解决方案。
高性能LKS32MC07x技术亮点
LKS32MC07x系列MCU采用96MHz Arm Cortex-M0内核,集成自主指令集电机控制专用DSP,配备12KB RAM与最高128K Flash存储空间,内置2路12bit高速ADC与4路内置运算放大器。丰富的外设接口涵盖UART/SPI/I²C/CAN等多种通信协议,为系统功能扩展留足空间。±1%高精度RC时钟增强了控制时序一致性,卓越的抗静电ESD与群脉冲EFT能力则赋予产品更高的可靠性。

图1. TQFP48封装
干衣机二合一方案应用表现卓越
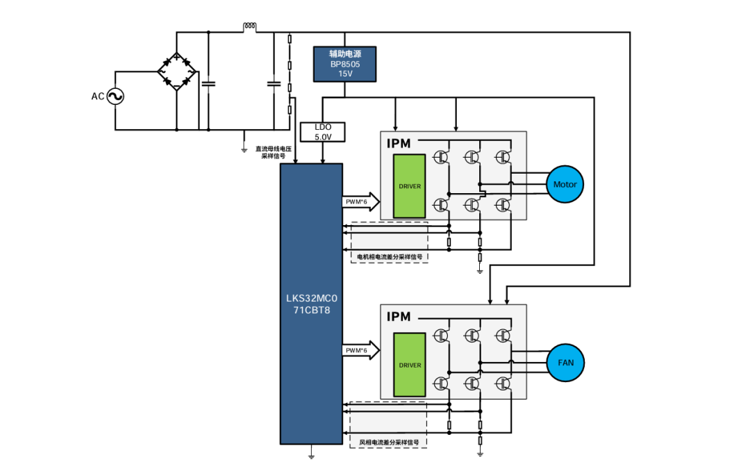
干衣机二合一(风机+桶电机)驱动方案,核心采用96MHz主频32位ARM Cortex-M0内核+电机控制专用DSP“双核”高性能电机控制MCU——LKS32MC071CBT8。LKS32MC071CBT8集成了针对电机控制堪称“量身定制”的外设组合:可同步触发的高分辨率PWM模块以及交错采样的高速12-bit ADC,在与电机控制专用DSP核的配合下,从硬件层面保障了双电机控制的原生协同性,满足了双电机控制的需求。通过精准的算力分配、硬件原生的同步机制及高度的系统集成,实现了专业级的控制性能与出色的成本效益。

图2. 干衣机二合一方案应用框图
方案亮点
实时响应:算法设计与硬件特性深度结合,使用内置DSP模块以及优异的算法架构,在Cortex-M0核的基础上满足双电机矢量控制的苛刻时序要求,确保系统的实时性能
硬件协同:可生成两组完全同步且带死区补偿的PWM信号,从硬件保证两个电机的驱动相位精准正交
成本优化:以单芯片替代双芯片方案,大幅降低BOM成本与PCB复杂度
功能丰富:该方案具备顺逆风启动功能,同时兼容功率环控制与自动弱磁,完善的OTA方案,采用分层软件架构,接口丰富,拓展灵活,搭配凌鸥软件上位机LKSSCOPE,有效提高工程师开发效率,节约调试成本

图3. 干衣机二合一方案DEMO板
多重保护确保稳定运行
该方案提供了全面的故障保护功能,包括硬件过流保护、停机电压控制、缺相保护及堵转保护等功能,确保产品在各类复杂条件下稳定运行。实际测试表明:桶电机在低桶速、大偏心条件下鲁棒性优秀,在大负载高速弱磁状态下运行平稳;风机在逆风状态下启动平滑可靠。

图4. 低桶速大偏心运行强鲁棒性

图5. 使用LKS实时检测高速弱磁运行状态

图6. 低速逆风启动波形
总结
在双电机控制这一赛道,Cortex-M0并非“简化版”的替代品,而是“专精化”的终极答案。它代表了一种回归本质的工程智慧:不以冗余性能堆砌功能,而是通过架构创新与精准匹配,在控制、成本与可靠性之间找到黄金平衡点。对于致力于打造高性能、高性价比双驱产品的团队而言,采用基于Cortex-M0的高度集成化方案,意味着以更少的资源,获得更稳定、更协同、更可控的系统表现。这不仅是技术选型的胜利,更是产品在市场竞争中赢得先机的关键一步。
关于凌鸥创芯
南京凌鸥创芯成立于2015年8月,是一家专注于控制及驱动集成电路及总体解决方案设计的国家高新技术企业。公司核心业务为微控制器芯片(MCU)、预驱(Gate Driver)、以及电源模块(IPM) 。 拥有一支经验丰富、多学科、综合能力强的专业技术团队,具备各种电机控制算法、应用方案及特种电机的开发能力。公司通过不断进行技术创新,秉承为天地立芯、为控制塑魂的使命,致力于提供极高性价比的产品、卓越的技术服务,繁荣电控生态、领航电控未来。
原文标题:LKS32MC07x 以“省”赋能!驱动干衣机双电机高效稳定运行
文章出处:【微信号:凌鸥创新,微信公众号:凌鸥创芯】欢迎添加关注!文章转载请注明出处。
评论区
登录后即可参与讨论
立即登录