上海贝岭IGBT BLG05T65FDL7助力变频冰箱高效运行
引言
当前,国内家电行业正处于智能化与能效升级的关键转型期,随着新国标能效标准的不断提高与全屋智能互联需求的爆发,家电技术将朝着更高效、更智能、更环保的方向发展。冰箱作为智能家电的耗电“大户”,其能效标准也备受关注。市场监管总局(国家标准委)发布新版2025《家用电冰箱耗电量限定值及能效等级》国家标准,将于2026年6月1日起正式实施。其能效指数限值较旧版国家标准降幅高达40%。
变频冰箱采用变频技术来控制压缩机运行,可以根据冰箱的实际需求精准调节压缩机的转速,从而实现节能、降噪和提高制冷效率的目的。而IGBT(绝缘栅双极晶体管)作为电力电子器件,在变频冰箱中起着至关重要的作用。
上海贝岭针对冰箱变频驱动推出新一代低损耗场截止技术IGBT,凭借超低的导通损耗与开关损耗,可显著提升系统整体能效,让冰箱运行更省电;其强短路耐受能力,确保在极端工况下依然稳定可靠,大幅延长设备使用寿命。
BLG05T65FDL7 产品特点
上海贝岭BLG05T65FDL7采用新一代微沟槽多层场截止IGBT技术,通过优化的沟槽搭配,优化导通压降,同时保证IGBT产品具有强短路能力;场截止层折衷开关损耗和通态损耗;优化的终端钝化技术提高高温稳定性和器件的可靠性;同时内部采用快软恢复二极管进行反并联。技术特性精准匹配白电如冰箱、洗衣机等对强短路能力、高可靠性的需求。
性能特点
• 低导通压降Vce(sat),减小器件导通损耗。
• Vce(sat)正温度系数,易于并联使用。
• 强短路能力,适配电机应用。
• 高BVces耐压能力。
• 低VF和快软恢复二极管。
BLG05T65FDL7 产品优势
• 静态参数优势—更低饱的和压降VCE(sat)和更低二极管压降VF

表1 IGBT Vce(sat)和 Vf 对比
BLG05T65FDL7 具有比竞品更低的 Vce 和Vf ,应用中导通损耗更低。
• 动态参数优势—更低的开关损耗

图1 IGBT开关损耗对比
BLG05T65FDL7总的开关损耗相比竞品2 降低13%。
• 温升优势—更优的温升表现
得益于贝岭BLG05T65FDL7产品较低的饱和电压VCE(sat)和电荷参数,对于电机应用,在8kHz开关频率下250W的电机负载测试中,具有较好温升表现。

图2 IGBT温升对比
BLG05T65FDL7带载温升相比竞品2 降低4.5%。
•短路特性—较强短路能力

图3 IGBT短路波形
BLG05T65FDL7短路能力可以满足在栅极驱动电压15V、母线电压330V下短路9µs不失效且短路波形不震荡。
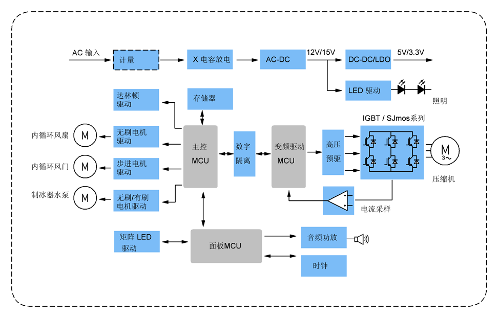
上海贝岭为变频冰箱提供全栈式芯片解决方案
上海贝岭坚持以本土创新、供应链安全与成本优化的理念,为变频冰箱向“双碳节能”方向演进持续打造系列化芯片,为客户选型及降低系统成本带来更高效、更全面的设计服务。
上海贝岭在变频冰箱提供的系列化芯片(蓝色部分):

用于变频冰箱设计的功率和驱动系列产品
功率器件
• IGBT:贝岭推出BLG05T65FDL7,BLG10T65FDL新一代场截止技术IGBT,满足应用要求的短路能力,损耗低,温升和EMI表现好。
• SJ-MOSFET:贝岭推出LS65R600F-D等产品, 在轻载时具有更节能特性,RdsON、Vsd低 ,应用中对损耗和温升降低有明显改善。
栅极驱动
•BL2601A 专为高压、高速驱动N型功率MOSFET和IGBT设计的半桥驱动。支持家电变频驱动,逆变器电源等应用。
•SA2636A 用于三相系统功率MOSFET和IGBT驱动,带OCP故障保护功能,输入EN和ITRIP的功能可选用外部NTC电阻,二极管和电阻网络,扩展为具备过温检测功能。

表2 选型参考
用于变频冰箱设计的电源管理系列产品
上海贝岭电源产品从满足安规和新一级能效要求的X电容放电芯片,到AC-DC 隔离、非隔离电源控制方案,到低压辅助电源DC-DC,LDO/三端稳压系列产品,全场景电源供给,精准匹配冰箱应用多维度选型需求。

表3 选型参考表
用于变频冰箱设计的存储,隔离,驱动,时钟,音频产品
•数据存储:存储用户习惯和设置,记录设备状态,存储 OTA 升级信息,提供硬件级安全保障。
•数字隔离:主控,变频,面板之间隔离通信,保障人身安全和通信数据稳定传输。
•步进电机:特别适合风门步进电机驱动需求。
•直流无刷/有刷电机驱动:提供多款驱动产品,满足内循环风扇及制冰水泵和碎冰等需求。
•达林顿驱动:驱动继电器及加热等功能。
•实时时钟/音频功放:满足高端机型智能化需求。

表4 选型参考表
用于变频冰箱设计的点阵LED显示驱动系列产品
LED显示驱动具备电压型,电流型,RGB型显示驱动多款产品,输出电流大,抗干扰强,对外辐射低,部分产品刷新频率 / 消隐强度可调等功能,广泛应用于家用电器,智能设备 LED显示面板。

表5 选型参考
结语
上海贝岭将持续完善与扩展一站式芯片解决方案,未来将长期致力于为智能家电行业提供高可靠性、高性能、高集成与低功耗且具备高性价比的整体方案选择。
原文标题:上海贝岭IGBT BLG05T65FDL7 助力变频冰箱高效运行
文章出处:【微信号:belling-cn,微信公众号:上海贝岭】欢迎添加关注!文章转载请注明出处。
评论区
登录后即可参与讨论
立即登录