鼎阳科技发布20GHz高带宽数字示波器SDS8204A:性能提升详解
概述
2025年12月22日,鼎阳科技正式发布SDS8204A高带宽数字示波器,在SDS8000A系列原有16 GHz,12 bit高分辨率型号基础上,再一次突破示波器带宽瓶颈,新增20 GHz,8 bit高带宽型号,进一步完善了SDS8000A系列的产品布局。SDS8204A模拟带宽可达20 GHz,每通道实时采样率高达50 GSa/s,存储深度最大2.5 Gpts/通道,最高500,000 wfm/s波形捕获率,270 μVrms超低本底噪声。具备丰富的一致性分析功能如MIPI、DDR、PCIe、以太网等,搭配眼图和抖动分析工具及丰富的协议解码,可为半导体研发、高速通信系统验证、车载电子测试等提供全方位的解决方案。
01.超低本底噪声
SDS8000A系列采用高性能硬件架构,20 GHz全带宽下四通道均可实现270 μVrms(typ.)的超低本底噪声,有效降低仪器自身对被测信号的干扰,即便在高带宽与高速采样条件下,仍能保持信号的纯净度与真实性,为精密测量与高速测试提供提供更可靠的波形保真度。

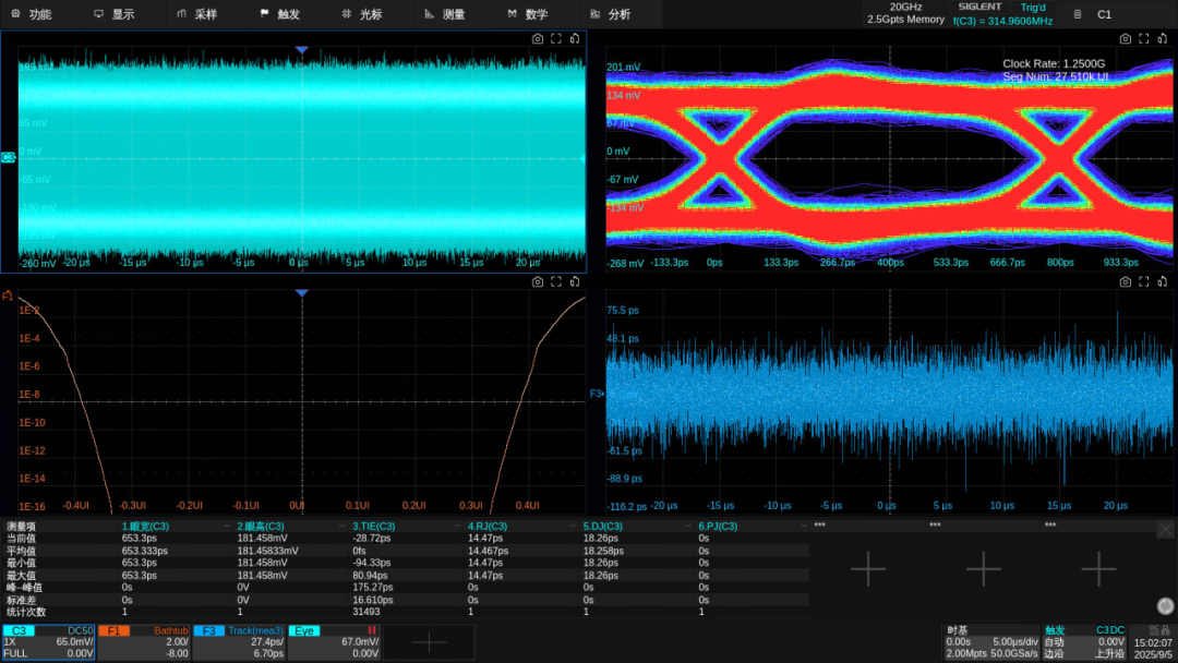
02.眼图与抖动测试
SDS8204A内置专业的眼图与抖动分析功能,能够从高速串行数据中提取时钟并生成清晰、稳定的眼图。系统支持一键式眼图参数测量,包括眼高、眼宽、抖动(RJ/DJ)等关键指标,并集成信号均衡功能,改善波形质量。用户还可根据行业标准或自定义模板进行眼图测试,快速判断信号质量是否符合规范。此外,仪器提供抖动与噪声成分的频谱视图与直方图,便于深入分析各类噪声与抖动来源,为高速接口的调试与信号完整性验证提供完整解决方案。

03.协议一致性分析
SDS8204A集成丰富的高速串行协议与总线标准的一致性测试套件,覆盖主流接口,包括USB2.0、USB3.2、10M以太网、100M以太网、1000M以太网、2.5G/5G/10G以太网、10M车载以太网、100M车载以太网、1000M车载以太网、MIPI-DPHY 1.2、DDR2/3/4、PCI-e 1.0/2.0等。仪器结合配套夹具,用户可快速完成物理层测试的参数配置、执行标准规定的全套测试项目,并自动生成符合行业规范的一致性报告。这一集成化流程大幅提升了从信号调试到标准认证的工作效率,使工程师能够在设计验证阶段及早发现并解决潜在的兼容性问题,加速产品上市进程。

04.丰富的应用功能
SDS8204A系列支持20余种触发方式,提供4路独立数学运算通道,支持32M点FFT分析及20多种时域运算,支持测量超过60种参数,并进行参数统计值的一键测量。SDS8000A还具备历史模式、搜索和导航、SignalScan、高速模板测试等功能。在总线解码方面,除标配I²C、SPI、UART、CAN、LIN解码外,SDS8000A还支持CAN FD、FlexRay、I²S、MIL-STD-1553B、SENT、ARINC 429、USB 2.0等十余种选配协议解码与触发,覆盖主流工业与通信标准。

05.智能化设计体验
SDS8204A搭载15.6英寸高清触摸屏,采用高性能射频输入接口,并配备了服务器级电源模块以确保在高负载和长时间运行条件下稳定供电。整机采用蜂窝式散热结构,可在长时间运行时稳定温度并降低工作噪音。内置Web Server支持网页远程控制,结合SigScopeLab信号分析软件,可实现远程操作与数据管理,满足实验室与生产线的多种应用需求。

SDS8204A是鼎阳科技自主研发生产的新一代高性能示波器,SDS8000A系列多规格布局完善了高端示波器产品矩阵,实现16 GHz带宽下高分辨率与20 GHz高带宽数字示波器的突破。SDS8000A系列均可搭配鼎阳1 GHz至8 GHz的有源高速探头使用,集成高速接口一致性测试、信号完整性与抖动分析等功能,支持车载电子、工业控制和电源完整性验证等应用,助力工程师在高速信号测量和系统验证中实现更可靠的分析。
SIGLENT
深圳市鼎阳科技股份有限公司(简称“鼎阳科技”,股票代码:688112)是国家重点“小巨人”企业,是全球极少数具有数字示波器、频谱分析仪、信号发生器和矢量网络分析仪四大通用电子测试测量仪器主力产品研发、生产和销售能力的通用电子测试测量仪器企业,同时也是国内极少数同时拥有这四大主力产品并且四大主力产品全线进入高端领域的企业。公司总部位于深圳,在美国克利夫兰、德国奥格斯堡、日本东京、马来西亚槟城州成立了子公司,在成都成立了分公司,在北京、上海、西安、武汉、南京设立了办事处,产品及服务远销全球80多个国家及地区。
原文标题:再一次突破示波器带宽瓶颈!鼎阳科技发布20GHz高带宽数字示波器
文章出处:【微信号:鼎阳科技,微信公众号:鼎阳科技】欢迎添加关注!文章转载请注明出处。





