ADI提供了多款简化USB线缆电源转换的器件,其中LTC3455实现了超高水平的功能集成度。LTC3455 采用4mm × 4mm QFN封装,能够无缝管理交流适配器、USB线缆和锂离子电池之间的电源流,同时符合USB供电标准。此外,两个高效率同步降压转换器可产生大多数USB供电外设所需的低压轨。LTC3455还提供适用于微处理器的上电复位信号、为存储卡供电的Hot Swap输出,以及适合用作低电池电量比较器或LDO控制器的非专用增益模块。整个USB电源控制电路和两个DC/DC转换器仅需225mm2的PCB面积。
图1为LTC3455的简化框图,展示了LTC3455得以实现多种功能的主要组成部分。DC/DC转换是一种相对简单的降压转换器功能。每个DC/DC转换器接受一个名为VMAX的电压作为输入。VMAX电压来自三种可用电源之一(如下所述),并转换为所需的输出电压。所提供的DC/DC转换器是高频、高效率同步转换器,其特性与LTC3405和LTC3406大致相当。VMAX代表中间电压总线。

图1. LTC3455 简化功能框图
存在墙上适配器时的操作
如果存在墙上适配器,则无论其他电源是否可用,它都会为中间VMAX总线供电,进而为DC/DC转换器和电池充电器供电。如果电池也存在,则它通过LTC3455的恒流、恒压、定时终止型线性充电器(功能和特性与LTC4053类似)进行充电。
不存在墙上适配器、但USB电源可用时的操作
如果电源是USB输入,为了符合USB电流限制要求,USB电源通过限流电路传输至VMAX。VMAX电压用于运行两个DC/DC转换器。如果所需的负载功率小于可用的USB功率,则剩余功率用于同时对电池进行充电。随着DC/DC 负载的增加,电池充电电流会减小,以使USB输入电流始终符合要求。最终,当负载功率超过可用的USB 功率时,电池充电停止,电池开始提供补充功率,通过内部理想二极管进入VMAX。在此模式下,部分负载电流由可用的USB电源提供,其余部分由电池提供。
这种中间总线电源架构在系统层面具有重要优势。与所谓的“充电器供电”系统(其中DC/DC负载与电池并联)相比,这种系统能够在没有电池或电池电量完全耗尽的情况下运行。此外,在充电器供电系统中,如果USB电压首先线性降低至电池电压,会造成电能浪费。图3展示了中间总线架构的优势。与充电器供电架构相比,中间总线电压架构可实现更快的充电速度和更低的热耗散。

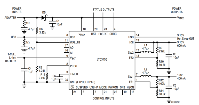
图2. LTC3455 最简实现方案

图3. 相较于充电器供电拓扑,中间总线在充电速率和功耗方面具有优势
未插电时的操作
当适配器和USB输入均不存在时,LTC3455通过连接到锂离子电池的理想二极管为 VMAX供电。
原文标题:简单高效的一体化USB电源管理IC解决方案
文章出处:【微信号:analog_devices,微信公众号:analog_devices】欢迎添加关注!文章转载请注明出处。
评论区
登录后即可参与讨论
立即登录