移动电源(Power bank)是一种个人可随身携带,自身能储能,主要为手持式移动设备等消费电子产品(例如手机、笔记本电脑)充电的便携充电器,特别应用在没有外部电源供应的场合。
移动电源一般分为2种:
锂电池 → 放电管理电路 → 手机(供电),需要外界的充电器给锂电池补电;
AC输入 → 充电管理电路 → 锂电池(充电)→ 放电管理电路 → 手机(供电),自身集成了充电器功能,这种移动电源也被称为二合一移动电源;

二合一移动电源构成图案例

小板光耦特写:
光耦为群芯微QX1018晶体管光耦,主要用于输出电压反馈
以上PCBA拆解图来源:
充电头网——拆解报告:ANKER Prime二合一9600mAh移动电源
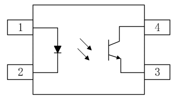
QX101X晶体管光耦介绍
封装和原理图

LSOP4

引脚配置 1.阳极2. 阴极 3. 发射极 4. 集电极


应用领域
开关电源、智能电表
工业控制、测量仪器
办公设备、比如:复印机
家用电器,比如:空调、风扇、热水器等
为什么选择群芯光耦
在二合一移动电源这类高度集成、空间紧凑的产品中,元器件的可靠性、尺寸与温度适应性尤为关键。群芯光耦不仅满足基本电气性能,还提供:
高温版本,适应快充时的高温环境
车规版本,符合更严苛的振动与温度要求
良好的性价比与供货稳定性
群芯微旗下的 QX101X 晶体管光耦,凭借可靠稳定的性能优势,已顺利切入充电器、适配器、移动电源等消费电子赛道的供应链,目前已在多家终端厂商实现规模化批量装机。其中车规级版本 QX101XT,更已成功通过 AEC-Q101 认证,凭借适配车载场景的高可靠性、宽温域等特性,将在要求更为严苛的车载电源、车载充电模块等领域释放更大应用价值。
公司介绍
宁波群芯微电子股份有限公司成立于2018年7月,总部位于宁波杭州湾新区,是国家级专精特新"小巨人"企业,公司主要从事光耦和光传感产品的研发、生产和销售业务。公司主要产品包括光耦、光继电器等,广泛应用于新能源汽车、储能、光伏、消费电子以及工业控制等领域。公司的核心团队成员来自于国内外大型半导体公司,在集成电路芯片设计、工艺制程、封装测试及应用方面拥有丰富的经验。
公司在光电产品芯片技术和相应封装测试技术方面已有数十年的沉淀与积累,拥有专业的研发工程技术团队,是国内少数光耦元件获得CQC、UL、VDE、AEC-Q101等多项国内外产品品质与安全认证的企业,公司顺利通过IATF 16949体系认证,光耦产品的设计与制造达到车规级标准。
原文标题:【应用方案】群芯光耦在二合一移动电源的应用
文章出处:【微信号:群芯微电子,微信公众号:群芯微电子】欢迎添加关注!文章转载请注明出处。
评论区
登录后即可参与讨论
立即登录