本文转载自:“充电头网”&“电源网”,全文略有删减
Power Integrations(以下简称:PI)近期推出了一款适用于电动两轮车充电器应用的 720W 电源参考设计方案 RDK-1063。该设计具有超过95%的端到端系统效率,并具有恒压与恒流模式控制。
该方案同时采用了PI的CAPZero-3零功耗X电容自动快速放电IC、HiperPFS-3功率因数校正IC、HiperLCS-2 LLC芯片组,以及900V InnoSwitch3-EP反激式开关IC。
RDK-1063 方案概述

RDK-1063 输入电压范围覆盖 170V 至 280VAC,适用于全球多数单相交流电网,能够连续输出 720W 功率,支持 26V 至 60V 的宽输出电压范围和最高 12A 的恒流输出。这种宽范围设计特别适合 48V 或 60V 电池组的充电需求,同时也可扩展至其他需要类似功率水平的工业或消费级设备。

该方案在满载条件下效率可达 94.8% 至 95.2%,在 230VAC 输入时效率超过 94%。这种高效率得益于 LLC 谐振拓扑的高频运行,开关频率最高可达 360kHz,从而有效减小了磁性元件的体积和整体热损耗。同时,功率因数超过 0.99,输入电流谐波失真极低,无负载输入功率控制在 1.5W 以下,充分满足国际能效和绿色电源标准的要求。电压调节精度达到 ±1%,电流调节精度 ±5%,确保了充电过程的稳定性和安全性。
核心芯片技术
RDK-1063 同时采用了 PI 的 CAPZero-3 零功耗 X 电容自动快速放电 IC、HiperPFS-3 功率因数校正 IC、HiperLCS-2 LLC 芯片组,以及 900V InnoSwitch3-EP 反激式开关 IC。

RDK-1063 的核心架构由两级功率转换组成。前端采用 HiperPFS-3(PFS7539L)集成 CCM Boost PFC 控制器与功率 MOSFET,提供稳定的 385V 中间母线电压。HiperPFS-3 集成了一个 600V 的 MOSFET、一个控制器和一个具有超低反向恢复特性的 Qspeed 二极管,采用单片的薄型功率封装,消除了外部电流检测电阻以及相关的功率损耗,其内部采用了无损耗的 SenseFET 检测方法,同时还简化了 EMI 滤波电路的设计,更加容易满足 EMI 的要求。

主 LLC 阶段原理图
HiperLCS-2芯片组构成方案核心:初级侧采用集成双600V MOSFET的半桥芯片,次级侧为同步整流控制器。半桥芯片内置控制器与多种保护功能;次级侧通过FluxLink磁感隔离技术实现4kV加强绝缘,无需光耦,可靠性更高。
芯片外露陶瓷导热垫便于散热,优化温升与成本。方案通过内置同步整流管理提升效率,并搭配InnoSwitch-3-EP芯片简化辅助电源设计,实现自偏置启动。

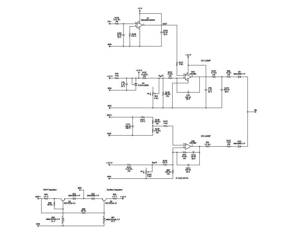
CV/CC 控制器部分原理图
RDK-1063也提供了灵活的恒压(CV)和恒流(CC)模式支持。工程师可以灵活地选择使用固定配置,或采用具有 DAC 或 PWM 输出的 MCU 与 CAN 子板组合方案。
在固定配置中,方案内置模拟反馈回路,通过板上可调电阻设定固定的 CC 阈值和 CV 阈值,实现自动模式切换,即当负载电流需求超过设定值时进入恒流模式,达到电压阈值后平滑过渡至恒压模式。这种配置可设定默认的充电方式。

在 MCU 和 CAN 子板配置中,设计预留了外部接口,可通过连接器接入 MCU 或 CAN 通信模块,利用 PWM 信号动态调整参考电压,从而实时控制 CC/CV 充电特性,进而控制 60V/12A 输出的具体工作点,支持多阶段智能充电算法,满足从简单固定充电到复杂电池管理系统的多样化需求。
该方案采用双层 FR4 PCB 板,集成垂直安装的 PQ35/35 变压器和底部散热器,磁性元件使用利兹线绕制,进一步缩小了整体体积,使其特别适合小型充电器外壳的集成。
保护功能全面覆盖输入过压 / 欠压、输出过压 / 过流 / 短路、PFC 过流以及 X 电容快速放电等机制,确保系统在各种故障条件下的可靠性和安全性。
RDK-1063 是一套成熟且实用性很强的 720W 充电器参考方案。该方案通过高效的两级拓扑、先进的芯片集成和灵活的控制方式,在有限空间里实现了 95% 的满载效率、极低的待机功耗以及可靠的 CV/CC 性能。
这款参考设计使得设计师可以构建出效率高于 94% 的紧凑型便携式电动车充电器,非常适合电动两轮车和电动工具这类对体积、成本和效率都有严格要求的场景。
原文标题:媒体报道 | PI 推出 720W 电动自行车充电方案 RDK-1063,Boost PFC+LLC架构,效率超95%!
文章出处:【微信号:Power_Integrations,微信公众号:PI电源芯片】欢迎添加关注!文章转载请注明出处。
评论区
登录后即可参与讨论
立即登录